رد کردن پیوندها

شرکت آواجنرال

کارفرما: شرکت آواجنرال

لوکیشن: مجتمع تجاری آواسنتر اقدسیه ط(۱)

نوع پروژه:

  • مشاوره طراحی و استفاده از متریال، ساخت واجرای( میز سرو کافه)

توضیحات کلی:

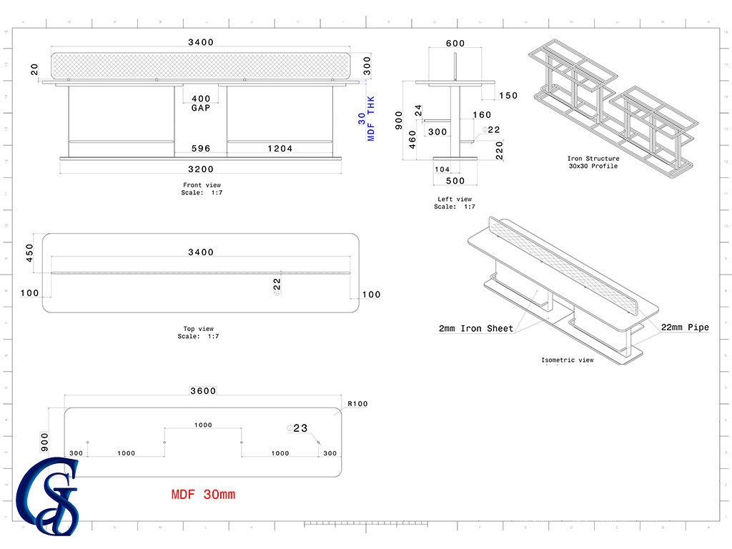
میز سرو کافه با سازه قدرتمند فولادی ۳۵۰ کیلوگرمی طراحی شده است که می‌تواند به راحتی توسط ۱۰ نفر همزمان استفاده شود. این میز بدون کوچکترین تکان و لرزش در حین سرو غذا، استحکام و مقاومت بالایی دارد.

جزئیات:

سازه:
زیرسازی و اسکلت اصلی از ۱۸ عدد کلاف فولادی (۴۰x۴۰)+(۳،x۳۰) (۲۰x۴۰) در هم تنیده شده است.
برای اتصال پایه و ستون های زیرین از جوشco2 زنجیری و برای پایه ها و سطح ستون ها از جوش آرگون + فیوز استفاده شده است.
برای جابجایی میز، یک طرف از فوت ریل (لوله فولادی) به سازه اصلی (ستون زیر سازی) متصل شده و از طرف دیگر با ورق فولادی با خم و شیارهای کامل محاسبه شده به سازه اصلی کلاف شده است.
در نهایت کل سازه با ورق فولادی به ضخامت ۲۰۰ میلی‌متر به گونه‌ای کاور و جوش شده است که هیچ گونه اثری از سوراخ -جوش نقطه اتصال دیده نمی‌شود.
حتی جای فوت ریل به صورتcnc در روی کاور فولادی بدون بادخور و تحت فشار جانمایی شده است تا در قسمت زیرین نیز کوچکترین لرزش ایجاد نشود.

پیام بگذارید

رفتن به محتوا